您好,欢迎来到 中智国际工程技术(北京)有限公司 官网 !

收藏本站

中智国际

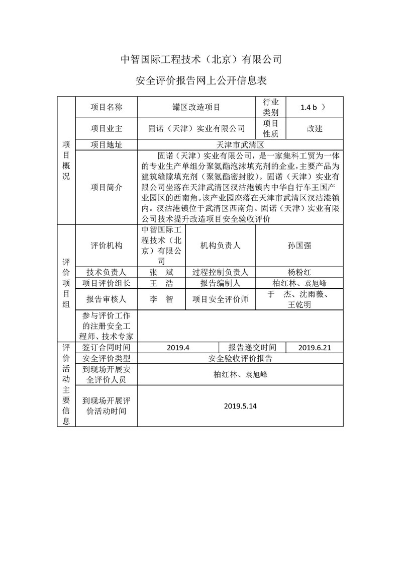
中智国际---安全评价服务机构



中智国际

网站导航 首页 业务范围信息公开新闻资讯关于我们联系我们

联系我们 电话:010-58239255 E-Mail:zhongzhigj@yeah.net 地址:北京市朝阳区小营路19号财富嘉园C座15层

手机二维码 手机二维码

中智国际工程技术(北京)有限公司版权所有

咨询咨询 QQQQ 手机手机二维码 地址地址 TOPTOP